广一GL型立式单级泵是国内广泛使用的离心泵。新型泵在性能、结构、外观、可靠性方面作了较大改进,目的是方便用户使用,提高使用寿命。
特点
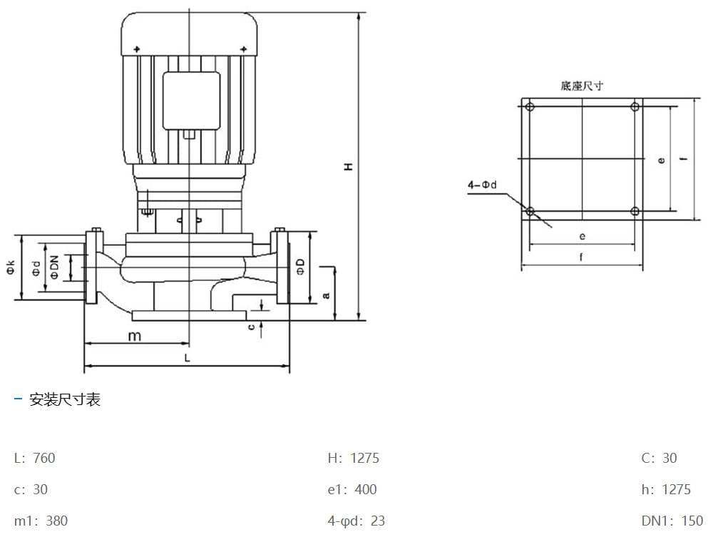
广一GL型立式单级泵采用加长轴电机,叶轮直接装在电机轴上,机电一体化,减小振动及运行噪声。泵的进出口径相同,并在同一直线上,能象阀门一样安装在管路任何位置;且设有底板,使泵安装简单方便,稳固。为提高轴承的使用寿命,电机轴承比同性能的电机轴承加大一挡。电机轴承压盖处设置了加油孔,当轴承缺油,噪声增大,可向轴承加油。

东莞市宗煌垣机械有限公司是一家专营各类机电产品的贸易公司,专业代理销售广一水泵、方力电机、九洲普惠风机等机电产品。 宗煌垣始终坚持诚信为本的原则,重视质量管理,有完善的公司治理结构,拥有自主研发... 您有什么问题或要求吗?
点击下面,我们很乐意提供帮助。 联系我们